Keyboard - Einheit


Intro:

Dieses ist nun der dritte Keyboard Controller, den ich entwickelt habe. Nach den beiden Vorgängern, die ich im Formant eingesetzt habe, hat dieser Controller für den µNet ein paar Features, die schon länger auf meiner Wunschliste stehen. Dazu gehört eine höhere Verarbeitungsgeschwindigkeit und ein Joystick.

Zusätzlich waren natürlich ein paar Erweiterungen nötig, um den Anforderungen des µNet - Konzepts zu genügen, nämlich der Abspeicherbarkeit aller Einstellungen im EEPROM / Reproduzierbarkeit der Einstellungen und der Fähigkeit, Befehle von der MCU des µNet zu empfangen und auszuführen.

Features:
  • 5 Oktaven
  • 10 Voice Polyphonie
  • Auswertung Key Velocity
  • Alphanumerisches Backlight-Display mit 2x16 Zeichen
  • Analoger Joystick
  • Regler für Key Velocity Sensitivity und Joystick Sensitivity
  • MIDI Monitor
  • ISP Interface
  • 2xMIDI IN / OUT / THRU


    Bedienelemente des Keyboard-Controllers:



    Wie man sehen kann bin ich kein Meister der Metallfeile!


    Funktionswese:
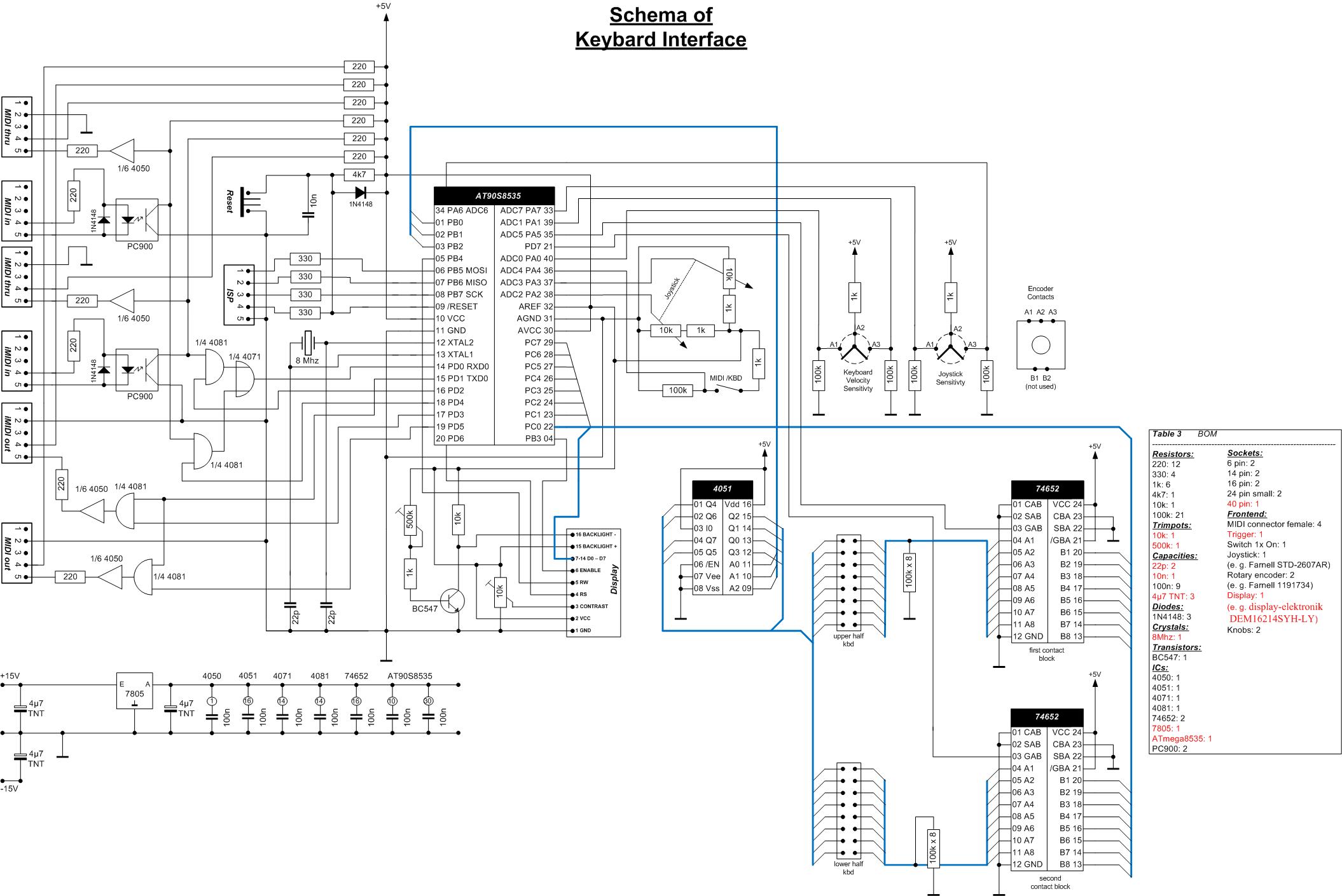
    Die Schaltung besitzt als Kern den AT90S8535 µController von Atmel, der die Klaviatur 8-bit-wortweise abfragt, also immer 8 nebeneinander liegende Tasten. Da jede Taste zwei nebeneinander liegende Ausgangskontakte besitzt, die zeitversetzt schließen, ist es möglich, die Geschwindigkeit zu ermitteln, mit der die Taste gedrückt wird, und diese der MIDI - Notensequenz als Lautstärkebyte mitzugeben. Das tut der µController, wobei er die Geschwindigkeit anhand der KVS-Einstellung (KeyVelocitySensitivity) gewichtet (s. u.).

    Als weiteres Eingabemedium steht ein analoger Joystick zur Verfügung, der von zwei AD-Kanälen des AT90S8535 mit je 10 bit Auflösung pro Achse (0 - 1023 bzw. 0x000 bis 0x3ff) abgefragt wird. Die Joystickpositionen werden derzeit in MIDI - Controllerchange-Sequenzen für die X-Achse und Pitchbend-Sequenzen für die Y-Achse umgesetzt.
    Auch hier kann die Empfindlichkeit durch einen Regler (JSS JoyStickSensitivity) in 16 Stufen verändert werden.

    Die Joystickpositionen (X- und Y-Achse) sowie die eingestellten Werte für KVS und JSS werden auf einem zweizeiligen LCD-Display in Hexadezimalwerten angezeigt. Wird der Internal / External - Schalter auf External ('E') geschaltet, so dient das Display als MIDI - Monitor (siehe rechts). Hier wurden zwei Tasten des Formant nacheinander gedrückt und losgelassen. Zusätzlich werden die extern eingespeisten MIDI - Signale an den µNet intern weitergereicht und die eigene eingebaute Klaviatur abgeschaltet (Dieser Teil muss noch programmiert werden).

    Dafür dient der interne MIDI bus, der in Empfangsrichtung die Anweisungen des µNet - MCUs ausführt und in Senderichtung die eingegangenen externen MIDI - Signale an die MCU übermittelt.

    Was logischerweise nicht mehr geht ist die Verwendung von Potis, da sich deren Einstellung / Position nicht abspeichern bzw. reproduzieren lässt. Dafür habe ich erstmalig Rotary Encoder eingesetzt, um das Look and Feel und die Bedienerfrendlichkeit von Potis nicht zu verlieren. Da die Drehrichtung durch die Auswertung der Phasenverschiebung der zwei Rechtecksignale der Encoderkontakte ermittelt werden muss, ist die Abfrage etwas kniffelig, aber dank µController recht einfach zu lösen. Man gewinnt dadurch die Möglichkeit, das Maß der Veränderung durch die Drehbewegung selbst festzulegen, also weit über die Auflösung eines Potis hinaus zu gehen, und man kann die zuletzt verwendete Einstellung abspeichern und wieder laden.


    Platine des Keyboard-Controllers:

    Wie man unschwer erkennen kann, handelt es sich um einen Prototypen. Die vielen Stiftleisten dienen zum experimentellen An- und Abkoppeln der einzelnen Schaltungskomponenten an den Datenbus per Flachbandkabel.

    Im vorderen Teil ist die MIDI - Ein- und Ausgabesteuerung nebst Optokopplern zu erkennen. Der dicke Keks in der Mitte ist natürlich der AT90S8535. Es folgen unten das Display-Terminal und die Bustransceiver für die Ansteuerung der Klaviatur. Die Elektronik oben dient der Ansteuerung / Auswertung der Schalter, Drehencoder und des Joysticks und wurde durch die Software des Controllers mehr oder weniger überflüssig, deshalb die leeren Sockel. Also alles in allem recht überschaubar, was die Hardware angeht.
    In Betrieb ist auf der Platine schon mehr los, wie man sieht. Die vielen Flachband- und MIDI - Kabel haben diesen seltsamen Einbau nötig gemacht.

    Eingebaute Platine:



    Nachbauhinweise:
    Keine.

    Block:
    Blockdiagramm

    Keyboard Kontakte:
    Fatar Interface

    Schema:
    Aufruf des Schemas bedeutet Akzeptanz des Link Disclaimers am Seitenende

    Quellcode:
    Aufruf des Quellcodes bedeutet Akzeptanz des Link Disclaimers am Seitenende

  • Bei Fragen oder Anmerkungen:
    Mail to: Carsten Tönsmann

    Home



    Disclaimer:
    Wichtiger Hinweis zu allen Links: Mit Urteil vom 12. Mai 1998 - 312 O 85/98 - "Haftung für Links" hat das Landgericht (LG) Hamburg entschieden, dass man durch die Anbringung eines Links, die Inhalte der gelinkten Seite ggf. mit zu verantworten hat. Dies kann - so das LG - nur dadurch verhindert werden, dass man sich ausdrücklich von diesen Inhalten distanziert. Hiermit distanzieren wir uns ausdrücklich von allen Inhalten aller gelinkten Seiten auf unserer Homepage und machen uns diese Inhalte nicht zu eigen. Diese Erklärung gilt für alle auf dieser Website angebrachten Links.

    Haftungsausschluss:
    Die bereitgestellten Informationen auf dieser Web Site wurden sorgfältig geprüft und werden regelmäßig aktualisiert. Jedoch kann keine Garantie dafür übernommen werden, dass alle Angaben zu jeder Zeit vollständig, richtig und in letzter Aktualität dargestellt sind. Dies gilt insbesondere für alle Verbindungen ("Links") zu anderen Web Sites, auf die direkt oder indirekt verwiesen wird. Alle Angaben können ohne vorherige Ankündigung ergänzt, entfernt oder geändert werden. Alle auf dieser Website genannten Produktnamen, Produktbezeichnungen und Logos sind eingetragene Warenzeichen und Eigentum der jeweiligen Rechteinhaber.

    Schematics:
    Sämtliche Schaltpläne, Skizzen, Baupläne und Funktionsbeschreibungen auf den Seiten von www.analog-monster.de/* sind - falls nicht anderweitig gekennzeichnet - Eigentum von Carsten Tönsmann und dürfen lediglich für private Zwecke genutzt werden. Jegliche Haftung ist ausgeschlossen.