Master Control Unit


Intro:

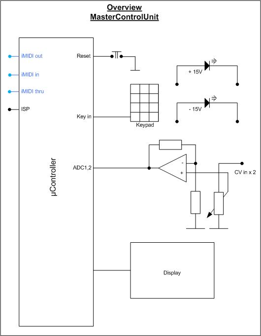
This is - or better to say will be - the central controlling module of the uNet synthesizer system. The MCU controls and instructs all other modules via its serial current loop interface (like MIDI does), e.g. saving or loading module settings as patches. Beside this common operations also specific functions of dedicated other modules can be initiated by the MCU, although module settings can be done directly at the module of course, but remote control by the MCU is also possible that way.

User interface:

Two digital potentiometers (encoders) with push function have been built in to select menue items and functions. To select a menue item the encoders have to be turned, and a push invokes the selected function.
To exit the function the encoder has to be pushed again, if not specified otherwise.

Common data (like patch numbers) can be entered, edited and saved via the numeric keypad and the '*' and '#' keys.

Additionally two analog inputs for voltages between 0V and 5V provided with level pots are included in the MCU. They are connected to two ADC channels of the central microcontroller and are converted to a digital value with 10 bit resolution for further processing.

Also the Atmel ISP interface is implemented of course, as the software is still under development. And last but not least a reset pushbutton is provided, just in case...

Extra: the two power indicating LEDs of the uNet power supply for the supply voltages +15V and -15V are integrated in the front panel.


Currently implemented functions:

MIDI Monitor: a standard function for all of my microcontroller modules. All serial data which are received via the current loop physic are displayed as continuous data stream in hexadecimal form without beeing interpreted. It is a debug function for the MCU's own current loop physic and serves as monitor for unknown data streams of external (MIDI-) devices.
Save Patch: Creates and sends a command to store all current parameter values to all modules of the network. A 3 digit patch number can be edited via the little key pad. After pressing the '*' - key the command is sent to all modules of the network.
Load Patch: Creates and sends a command to load the parameter values of all modules of the network. A 3 digit patch number can be edited via the little key pad. After pressing the '*' - key the command is sent to all modules of the network.


Hardware:

As you can see there are only a few parts on the board. The Atmel ATmega8535 microcontroller serves as core processor which scans and processes the peripherical elements of the circuit. These are in detail:
  • Serial interface: this is realized as a current loop physic (like MIDI) which receives incoming serial data via opto isolator and transmits outgoing command- and data-streams via output buffer.
  • Encoder: the encoder pins are connected directly to their corresponding microcontroller port pins and are processed by software. Two phase different square signals which indicate encoder movement and direction and a push signal (0 or 1) are analyzed and processed.
  • Keypad: The 12 key pad is scanned via a 4:16 multiplexer.
  • CVs: Both analogue inputs are connected to their corresponding ADC pins of the microcontroller via level pot.
  • Display: This is a standard HD44760 compatible standard display with 4x20 characters. Contrast and backlight have to be adjusted on the board.


Board of the Master Control Unit:




Complete module:

Module built in "Formant" style...


Reproduction hints:
None.

Block:
Block diagram

Schema:
Clicking the schema means acceptance of the link disclaimer of page bottom!

Source code:
Clicking the source code means acceptance of the link disclaimer of page bottom!

If you have any questions, suggestions or comments:
Mail to: Carsten Toensmann

Home



Disclaimer:
No warranty for completeness or correctness of technical descriptions, schemas or any information provided on www.analog-monster.de/* pages.
Contents of linked pages are in responsibility of the page owners and analog-monster dissociates from them.
All information provided on www.analog-monster.de/* pages is in ownership of www.analog.monster.de (except especially marked) and for private use only. All rights reserved.