TSEM VCO Module



Full tracks of Analog-Monster project on YouTube channel Sushonyo Synth Project
Full tracks of Analog-Monster project on SoundCloud channel Analogmonster




Intro:

This module is the 4th chapter of my Oberheim-SEM-Clone-2-SMD - activities, the VCO sub function, again extracted as stand alone module. Again I wanted to check whether the SEM VCO is clonable, and whether it is clonable in SMT.


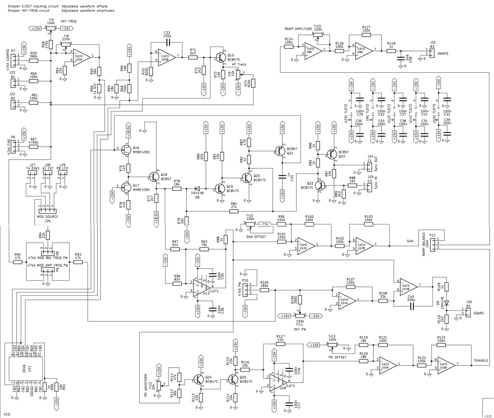
The TSEM VCO:

And yes, this feasibility study can be considered as success. I had to change some components for SMT though:
  • Transistor array 3086 is 3046
  • All OpAmps are TL071 / TL072
  • N-Channel FET are MMBF4391
  • Alle NPNs are BC847C
  • Alle PNPs are BC857C
Again I proved the basic functionality of the TSEM clone again with LtSpice before building the prototype.

The original works as SAW-Core-VCO. The temperature stabilization is done with a tempco. A chip heating for the transistor array does not exist. The operating temperature is achieved by usage, where in the original SEM two VCOs share one transistor array. This is not the case in my feasibility study.

The SAW core works as expected. A constant current sink loads the capacitor C34 to the switch level of a discrete comparator (Q19 to Q21), which immediately discharges the capacitor. The reset pulse is provided at SYNC OUT and can be used to control external VCOs. Via SYNC IN reset pulses of external VCOs can be used to sync this core.

For tuning I replaced the multiturn pot of the original by a standard pot and a fine tune circuitry and pot.

The VCO has several modulation inputs. In an original SEM these are partially connected internally with other sub functions (ENV and LFO) of the SEM. With a slide switch these inputs can be connected to a modulation bus. Between the two modulation targets frequency modulation and pulse width modulation can be morphed with a pot. The latter is important only for square wave output obviously.

The original contains a SAW2SQUARE converter which can be pulse width moulated as mentioned above, manually with the PULSE WIDTH pot or via modulation target PWM.
I additionally added a SAW2TRIANGLE converter, as
  • a VCO without triangle wave form is incomplete
  • the triangle output is needed by my T908 Autotune module, as I want to add Autotune capabilities to my TSEM clone

The SAW output of the original is enhanced to a RAMP output, where between triangle and saw output waveform can be morphed with the corresponding pot.

Schematics:
The original circuit parts which are documented in the internet can be recognized easily. I made some add-ons though:
  • Tune FINE add-on (P6, R67)
  • Adjustable null symmetry of the saw output (U12, Tr10, R99 - R103)
  • SAW2TRIANGLE - converter (U18, Q24, Q25, TR12, R111 - R117)
  • Adjustable null symmetry of the triangle output (U15, Tr13, R119 - R123)
  • Triangle-saw balance (RAMP BALANCE, P11)
  • Adjustable RAMP amplitude with 30kHz low pass filter (U9, Tr15, C58, R118, R124 - R127)

Conclusion:

The SEM VCO can be cloned easily. The only disadvantage I recognized is a certain temperature instability probably caused by:
  • 3046 instead of 3086
  • smaller size / volume of the transistor array IC due to SMT housing
  • Loss of temperature due to contact of the array surface to the PCB
  • Running of only one VCO with the transistor array

Update: TSEM VCO Version 2 released:

I replaced the original Oberheim tempco solution with my heater approach for VCO expos, so I eliminated all temperature instability mentioned above.
KiCad - Schema V2



TSEM VCO Hardware


  • Board size: 95 x 97 mm
  • I developed the board as KiCad project. I used the KiCad schema editor and the KiCad PCB editor, all from one circuit definition to ensure a consistent development.
  • The 6-layer board was produced by the Hongkong JLCPCB company.


YouTube


TSEM VCO Demo / Workbench Test: TSEM VCO Waveforms




TSEM VCO





Full tracks of Analog-Monster project on YouTube channel Sushonyo Synth Project
Full tracks of Analog-Monster project on SoundCloud channel Analogmonster


Please send questions or remarks to:
Carsten Toensmann

Home



Disclaimer:
No warranty for completeness or correctness of technical descriptions, schemas or any information provided on www.analog-monster.de/* pages.
Contents of linked pages are in responsibility of the page owners and analog-monster dissociates from them.
All tracks provided on www.analog-monster.de/* pages is in ownership of www.analog.monster.de (except especially marked) and for private use only. All rights reserved.