µController-Subproject



For some of my next modules it will make sense to use microcontrollers, like a MIDI interface or more complex sequencers. I decided to do first experiments with the Atmel AT90S8535 controller, as it seems to offer all needed features and can be programmed quite easily. Depending on further requests I might change to other controllers, but my first applications will use the AT90S8535.

Step 1: Microcontroller Testboard:
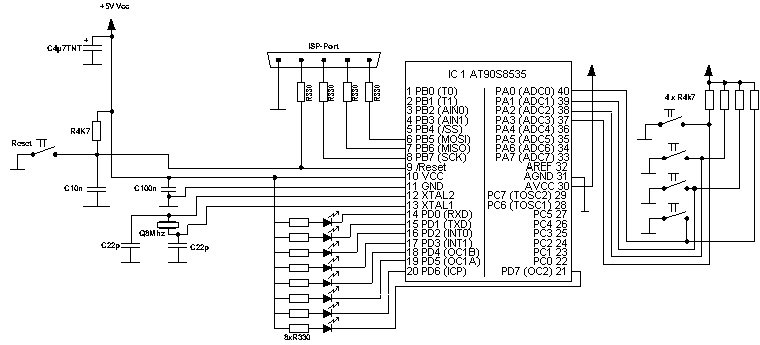
One general feauture of all of my microcontroller applications shall be the ability of being programmed 'on board' via ISP interface (ISP= In System Programmable) to be able to do microcontroller software updates directly on the board without necessity of using an additional programmer board.
The AT90S8535 offers a simple ISP interface for this purpose which can be accessed by 4 resistors. I designed this test board to test this ISP interface on the one hand and to do some first I/O tests with the microcontroller on the other hand using 4 push-buttons and 8 LEDs.

The test board has a 25 pin D-SUB male connector to connect it to a personal computer via simple printer cable. The schematic for the printer connector and the necessary programmer software con be obtained from the link below.
This makes the test board to be able to act as a programmer board.

For testing of simple assembler programs the testboard offers 8 LEDs and 4 push-buttons. The corresponding assembler program (see link below) reads the push-button values (port A bit 0 to 3) and writes them to port D (bit 0 to 3). Pushing one or more buttons switches off the corresponding LEDs.
The test program is also a framework for developing more complex programs, so thats why some additional constants are defined, the stackpointer and the interrupt routines which are not needed by this test program of course.

Schematic test board
Schematic Programmer Interface / Programmer Software
Picture of test board
Assembler program

to be continued...

Please send questions or remarks to:
Carsten Toensmann

Home